


El módulo hidráulico todo en uno Fusion TRIO integra el equipamiento necesario para la instalación de calefacción, refrigeración y agua caliente sanitaria con depósito de inercia integrado.
El completo equipamiento que incorpora el módulo FUSION TRIO facilita la instalación y reduce el espacio necesario Podríamos destacar el grupo de seguridad de ACS, el vaso de expansión de ACS, la válvula de tres vías o el calderín de apoyo con toma de resistencia..
Los acumuladores acs del Fusión TRIO están construidos en acero inoxidable, cumplen las exigencias higiénicas más estrictas y además este material dispone de un gran coeficiente de transmisión que le confiere al acumulador una gran capacidad para producir agua caliente sanitaria.
El acero inoxidable es un material con unas propiedades excepcionales en cuanto a desprendimientos, oxidación y sedimentación.
En su superficie se crea una pátina de manera natural provocando una autoprotección que evita oxidaciones incluso en instalaciones con aguas extremadamente corrosivas.
En los interacumuladores de lo FUSION TRIO se ha dimensionado el intercambiador de serpentín teniendo en cuenta las temperaturas de trabajo y los caudales propios de las bombas de calor, consiguiendo el máximo intercambio térmico y evitando ciclos intermitentes de funcionamiento en la bomba de calor.
Con este sistema se mantiene todo el acumulador a temperaturas homogéneas evitando zonas frías en las que puedan prosperar bacterias como la legionella
El acumulador de agua caliente sanitaria del módulo FUSION TRIO está aislado térmicamente con espuma rígida de poliuretano inyectado en molde y disponen de una boca de acceso en la parte superior, la cual facilita la limpieza del interacumulador. A su vez incorpora una toma prevista para la resistencia eléctrica
| MODELO | VOLUMEN ACS L | APLICACIÓN PRIMARIO L | APLICACIÓN | DIMENSIONES: ANCHO | DIMENSIONES: ALTURA | DIMENSIONES: FONDO | SUPERFICIE DE INTERCAMBIO m2 | CLASE DE EFICIENCIA ENERGÉTICA |
|---|---|---|---|---|---|---|---|---|
| FUSION TRIO 200/50 | 200 | 50 | Calefacción, refrigeración y ACS | 600 | 1910 | 650 | 2,25 | ![]() |
| FUSION TRIO 200/80 | 200 | 80 | Calefacción, refrigeración y ACS | 600 | 1960 | 650 | 2,50 | ![]() |
| FUSION TRIO | |
|---|---|
| Válvula de seguridad de ACS | |
| Manguitos dieléctricos | |
| Vaso de expansión ACS | |
| Acumulador ACS Inoxidable | |
| Desconector de llenado | |
| Válvula de tres vías | |
| Filtro | |
| Deposito de inercia | |
| Vaso de expansión de calefacción | |
| Kit de resistencia 1,5 kW FUSION | |
| Kit de resistencia 2,5 kW FUSION | |
| Kit de resistencia 3,5 kW FUSION | |
| Kit bomba de apoyo | |
| Aislante bomba de apoyo | |
| Protección catódica | |
| Kit silent blocks unidad exterior |
FUSION HE

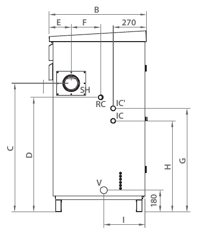
| IC: Ida Calefacción/Climatización | RC: Retorno Calefacción/Climatización | IBC: Ida de la Bomba de Calor | RBC: Retorno de la Bomba de Calor | ACS: Salida de Agua Caliente Sanitaria |
| AFS: Entrada de Agua Fría Sanitaria | R: Toma para Recirculación de ACS | IAC: Ida caldera de apoyo para Calefacción | RAC: Retorno caldera de apoyo para Calefacción |
| FUSION TRIO 200/50 (mm) | FUSION TRIO 200/80 (mm) |
|---|
| Altura total A | 2028 | 2088 |
| Altura tomas B | 1980 | 2040 |
| Altura tomas C | 1914 | 1974 |