

MCF DXE/DXVE es un grupo térmico de fundición, que integra un acumulador de acero inoxidable para suministrar agua caliente sanitaria a distintos puntos de consumo, de forma simultánea.
La gama de calderas de gasoil MCF DXE/DXVE de incluye hasta 3 potencias, de 29, 40 y 52 Kw, y 2 versiones de acumulador, 100 o 130 litros, lo que se traduce en la solución idónea para casas unifamiliares, con consumos importantes de ACS.
También es posible instalar con combustión estanca hasta 40 Kw sin utilizar el aire del habitáculo. Todos los modelos integran un control electrónico que optimiza al máximo las prestaciones del producto.
El grupo térmico de la caldera de gasoil MCF HDX/HDXV se suministra totalmente montado, y con el equipamiento más completo el mercado, destacando:
o Vaso de expansión de agua caliente, y el grupo de seguridad.
o Manguitos dieléctricos en latón (diseño exclusivo DOMUSA TEKNIK).
o Sistema hidráulico de doble bomba.
o Purgadores automáticos de doble seguridad.
El acumulador de la caldera de gasoil está construido íntegramente en acero inoxidable, un material con excelentes propiedades en durabilidad. La ausencia de ánodo de magnesio evita operaciones costosas de revisión y mantenimiento del acumulador de agua sanitaria.
La versión MCF HDXV es una caldera estanca de gasoil donde la admisión del aire para la combustión se hace desde el exterior de la vivienda. Aumentando de esta manera la seguridad y reduciendo notablemente el nivel acústico permitiendo muchas más posibilidades de ubicación.
Esta caldera de gasoil de baja temperatura puede ser equipada con dos tipos de kit hidráulicos para instalaciones de suelo radiante.
Incorpora, también, ida y retorno suplementario para zonificar la instalación, así como toma de recirculación de agua caliente para, de este modo, instalar con facilidad bombas de re-circulación.
| CARACTERÍSTICAS | MCF 30 HDX | MCF 40 HDX | MCF 50 HDX | MCF 30 HDXV | MCF 40 HDXV |
|---|---|---|---|---|---|
| Potencia útil KW | 28,1 | 39,4 | 50,8 | 28,1 | 39,4 |
| PROD. ACS L/10 MIN D30ºC 100L | 258 | 258 | 258 | 258 | 258 |
| PROD. ACS L/10 MIN D30ºC 130L | 321 | 321 | 321 | 321 | 321 |
| PROD. ACS CONTINUA EN L/H D30ºC 100L | 721 | 721 | 721 | 721 | 721 |
| PROD. ACS CONTINUA EN L/H D30ºC 130L | 846 | 846 | 846 | 846 | 846 |
| SALIDA DE GASES | Tiro natural | Tiro natural | Tiro natural | Estanca | Estanca |
| CLASE EFICIENCIA CALEFACCIÓN | |||||
| CLASE EFICIENCIA ACS |
| MCF HDXE/HDXVE | |
|---|---|
| Acumulador inox. 100 -130 L | |
| Bomba de primario ACS | |
| Bomba de calefacción | |
| Vaso de expansión | |
| Válvula de seguridad caldera | |
| Válvula de retención | |
| Grupo de seguridad ACS | |
| Toma recirculación ACS | |
| Llave de llenado | |
| Quemador | |
| Purgador automático | |
| Manguitos dieléctricos | |
| Vaso de expansión para ACS | |
| Programador horario | |
| Regulador climático | |
| Protección catódica | |
| Kit de evaluación de gases | |
| Programador diario analógico | |
| Protección catódica DX | |
| Accesorios salida de gases | |
| Filtro con desgasificador (Tiger Loop) | |
| Termostato conectable CONFORT WiFi |
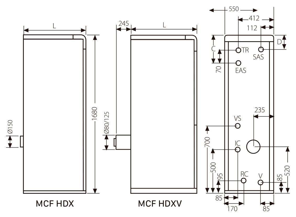
MCF HDX / HDXV

| IC: Ida calefacción | RC: Retorno de calefacción | RC: Retorno de calefacción | SAS: Salida ACS | VS: Válvula de seguridad | V: Vaciado | TR: Toma recirculación |
| PROFUNDIDAD COTA L | IDA-RETORNO CALEFACCIÓN | IDA-RETORNO A.C.S | |
|---|---|---|---|
| MCF HDX/HDXV 30 | 700 | 1” M | 3/4” M |
| MCF HDX/HDXV 40 | 800 | 1” M | 3/4” M |
| MCF HDX/HDXV 50 | 900 | 1” M | 3/4” M |
| COTAS C | COTAS D | ||
| MCF HDXV 100 L | 290 | 210 | |
| MCF HDXV 130 L | 190 | 110 |