

TERMA H / TERMA HV es un grupo térmico en acero que integra un acumulador de acero inoxidable para suministrar agua caliente sanitaria a distintos puntos de consumo de forma simultánea.
Esta gama de calderas de gasóleo de baja temperatura ha sido adaptada a las exigencias y requerimientos, en cuanto a rendimiento y etiquetado, de la nueva Directiva Europea ErP.
La gama TERMA H/TERMA HV incluye hasta 2 potencias, de 30 y 45 kw y 2 versiones de acumulador, 100 ó 130 litros, lo que la convierte en la solución idónea para casas unifamiliares con consumos importantes de ACS.
También es posible instalar con combustión estanca en ambas potencias y por tanto, sin utilizar el aire del habitáculo donde está emplazado.
El grupo térmico TERMA H / TERMA HV se suministra totalmente montado y con el equipamiento más completo del mercado en su categoría, destacando:
-Grupo de seguridad de agua caliente sanitaria.
-Manguitos dieléctricos en latón (diseño excluido DOMUSA TEKNIK).
-Purgadores automáticos de doble seguridad.
El acumulador de esta caldera de gasoil de baja temperatura está construido íntegramente en acero inoxidable, material con excelentes propiedades en durabilidad e inmerso íntegramente en el cuerpo de la caldera. Asimismo, la no necesidad de ánodo de magnesio evita operaciones costosas de revisión y mantenimiento.
El grupo térmico puede ser equipado con el kit hidráulicos para ser instalado con suelo radiante.
Esta caldera de gasoil también incorpora ida y retorno suplementario para zonificar la instalación, así como toma de recirculación de agua caliente para así instalar fácilmente bombas de re-circulación.
| CARACTERÍSTICAS | Terma 23 H | Terma 45 H | Terma 23 HV | Terma 45 HV |
|---|---|---|---|---|
| Potencia útil KW | 28 | 41 | 28 | 41 |
| Producción ACS L/10 Δ30ºC | 258 | 258 | 258 | 258 |
| Producción ACS Continua L/H Δ30º | 721 | 721 | 721 | 721 |
| Volumen del acumulador L | 100 | 130 | 100 | 130 |
| Salida de gases | Tiro Natural | Tiro Natural | Estanca | Estanca |
| Clase eficiencia calefacción | ||||
| Clase eficiencia ACS | ||||
| Perfil ACS | L | L | L | L |
| Terma H/Terma HV | |
|---|---|
| Acumulador sumergido en caldera | |
| Quemador | |
| Válvula seguridad caldera | |
| Envolventes pintados en polvo epoxy | |
| Aislamiento de poliuretano | |
| Interruptor general | |
| Interruptor verano/invierno | |
| Termostato calefacción | |
| Termostato ACS | |
| Purgador automático | |
| Termostato seguridad | |
| Termómetro | |
| Manómetro | |
| Bomba de calefacción | |
| Vaso de expansión calefacción | |
| Grupo de seguridad ACS | |
| Manguitos dieléctricos | |
| Capot cubre quemador | |
| Llave de llenado | |
| Válvula de retención | |
| Programador diario analógico | |
| Kit de válvula mezcladora ACS | |
| Vaso expansión ACS de 5 L | |
| Protección catódica DX | |
| Accesorios salida de gases | |
| Filtro con desgasificador (Tiger Loop) | |
| Termostato conectable CONFORT WiFi |
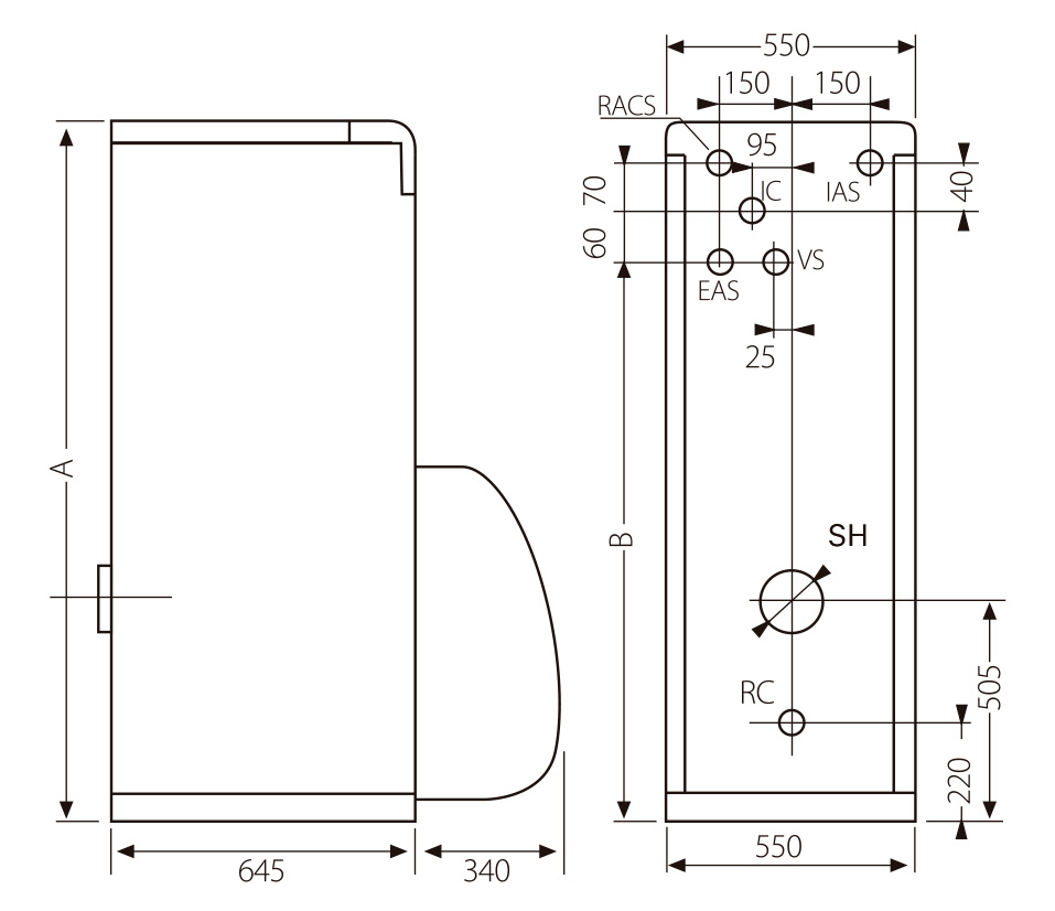
TERMA H / TERMA HV

| VS: Válvula de seguridad 3 bar | IC: Ida calefacción | EAS: Entrada ACS | IAS: Salida ACS | RC: Retorno de calefacción | RACS: Toma de recirculación ACS | SH: Salida de humos |
| A | B | SH | Ø IC | Ø RC | Ø EAS / Ø IAS | |
|---|---|---|---|---|---|---|
| TERMA H 23 | 1540 | 1330 | 150 | 1” M | 1” M | 3/4” M |
| TERMA H 45 | 1700 | 1460 | 150 | 1” M | 1” M | 3/4” M |
| TERMA HV 23 | 1540 | 1330 | 80/125 | 1” M | 1” M | 3/4” M |
| TERMA HV 45 | 1700 | 1460 | 80/125 | 1” M | 1” M | 3/4” M |